서론
최근 지상의 녹지공간의 확보와 도심지 교통체증 문제를 해결하기 위해 전세계적으로 도심지의 지하공간을 효율적으로 활용한 복층 도로터널의 건설이 활발히 진행되고 있다. 복층 터널은 하나의 터널 단면 내에서 상부와 하부로 왕복교통류가 분리되어 운영되는 터널 형식을 의미하고 유럽 및 선진국 등에서는 프랑스의 A86터널, 스페인의 M30 등과 같은 복층 도로터널이 성공적으로 운영되고 있다. 이와 같은 세계적인 건설 흐름에 따라서 서울시에서는 Fig. 1과 같이 총 연장 149km의 종방향 3개의 터널과 횡방향 3개의 터널, 총 6개의 지하 도로터널이 네트워크 형태로 서로 연결되는 도심지 지하고속도로인 U-Smartway 계획을 발표하였다(Koh, 2010).
네트워크형 도로터널은 지상의 도로를 지하공간으로 만들어 서로 네트워크 방식으로 연결하는 지하터널을 말한다(Lee et al, 2012). 국외의 경우 앞서 언급한 프랑스의 A86터널과 스페인의 M30은 복층 구조로 운영되고 본선 터널을 중심으로 여러 구간의 램프로 다양한 입․출구가 존재하지만 본선 터널에서 다른 지하 도로터널로 연결되는 네트워크형 구조를 가지고 있지는 않고 스웨덴의 Sӧdra Lӓnken 터널과 호주 Clem Jones 터널의 경우에는 네트워크형 구조의 터널로 운영되고 있지만 복층 구조의 터널이 아니기 때문에 서울시에서 계획중인 U-Smartway와 같이 네트워크형 구조와 복층 구조의 특성을 모두 지닌 도로터널은 국내외에서 처음 시도 되는 건설 기술이다. 이러한 새로운 형상의 터널구조에서는 터널 내 안전한 환경 유지를 위한 환기시스템의 설계 및 운영이 복잡해지므로 기존의 일자형 도로터널의 환기시스템 설계 기법을 적용하기에는 한계가 있다. 따라서 기존의 일자형 도로 터널 환기 설계와는 다르게 새로운 설계 인자들의 도입에 따른 설계 기술 개발이 필요하며(Park et al, 2016), 그중에서도 본 연구에서는 Fig. 2와 같이 합류 및 분기터널이 본선터널로 진입하는 확폭구간에서 발생하는 충격손실(shock loss)에 대해 연구하고자 한다.
네트워크형 구조의 복층 터널에서는 차선의 분류나 합류가 발생하게 되는데 이 경우 본선터널 주행차량과 분기 및 합류 터널 주행차량 사이의 혼선을 피하기 위해 일정한 거리의 접속부가 필요하게 된다(국토해양부, 2013). 터널 내 접속부의 존재에 따라 터널에서 공기가 유동할 수 있는 단면적에서의 급확대부(Diverging section) 및 급축소부(Merging section)가 발생하게 되고 이러한 공기 흐름에서 유동손실이 발생하게 되는데 이 압력손실을 충격손실이라고 한다. 즉 충격손실은 공기 흐름의 변화가 발생하는 형상에 의해 영향을 받으며 이에 따라 다양한 형상에 대한 충격 손실계수 값이 환기시스템의 설계에서 요구된다. 이와 같은 네트워크형 도로터널에서의 충격손실에 대한 선행 연구로는 소형차 전용 네트워크형 복층터널의 분기부지점에서 분류 및 합류의 공기 흐름에서 발생하는 충격손실에 대한 Scaled model 실험 연구(Roh et al, 2017)와 전산유체역학(Computational Fluid Dynamics, CFD)을 이용한 네트워크형 구조를 가지는 복층 도로터널의 분기․합류 지점에서 발생하는 충격손실에 대한 수치해석적 연구(Park et al, 2017)가 있지만 모두 네트워크형 구조에서의 확폭구간에 의한 급확대부 및 급축소부 존재로 발생하는 충격손실에 대한 연구는 진행되어지지 않았다. 기존에 관내에 흐르는 유체 유동에서 급격한 단면 변화에 따른 압력손실에 관한 연구는 많이 진행되었는데(ESDU 72011, 2007; ESDU 05024, 2008; Idelchik, 1986; Miller, 1971) 주로 ESDU에서 제시한 값들이 적용되고 있고 여러 연구자들을 통해 ESDU에서 제시한 값과 실험이나 수치해석을 통해 비교 및 보완하는 연구도 많이 진행되어왔다(Bullen, 1987; ESDU TN 06023, 2007; Fester, 2008; Kim et al, 2010; Koh, 2000; Sanchez et al, 2010).
하지만 대부분의 선행 연구에서는 축대칭의 원형 단면에서의 변화에 대한 충격손실만 고려되어지고 또한 좁은 단면의 원형 파이프 혹은 덕트에서의 충격손실에 대한 값을 제시하기 때문에 직사각형의 넒은 단면과 한 쪽으로 치우쳐진 구조로 급격한 단면의 변화가 발생하는 네트워크형 도로터널 확폭구간의 경우에는 적용이 어려울 것으로 판단된다. 이러한 이유로 본 연구에서는 전산유체역학(CFD)을 이용한 터널 내 공기 유동 해석을 통하여 기존에 활용된 충격손실계수와 비교 분석하고자한다.
연구 이론
충격손실은 유체의 흐름을 가지는 관내에서 단면적의 변화나 오리피스 등과 같이 다양한 구조적 변화에 의해 발생되는 압력손실로 식 (1)과 같이 나타낼 수 있다.
(1)
여기서
는 충격손실에 의한 전압 손실[
]이고
는 속도압[
]을 나타낸다. 결국 충격손실 계수를 나타내는
는 유체의 흐름에서 다양한 구조적 변화에 의한 충격손실을 정의하는 충격손실계수로 발생한 전압 손실에 속도압을 나누어줌으로서 계산된다. 따라서 Fig. 3과 같은 급확대부와 급축소부에 발생하는 충격손실을 정립하기 위한 충격손실계수(
)를 계산하기 위해 식 (2)과 식 (3)과 같이 나타낼 수 있다.
(2)
(3)
여기서,
는 급확대부로 인한 충격손실계수,
는 급축소부로 인한 충격손실계수를 나타내고
는 각 지점에서의 정압[
],
는 터널내 공기밀도[
],
는 각 지점에서의 공기속도[
]를 나타낸다. 즉, 충격손실 값을 계산하기위해서는 급확대․축소부를 기준으로 양쪽 지점에서 정압 및 공기속도를 측정해야 한다. 위와 같은 이론식을 적용하여 확대되는 면적과 축소되는 면적에 대한 면적비와 충격손실계수의 관계에 대한 실험을 통해 나온 실험식은 Mcpherson이 제안한 식 (4)와 Idelchik이 제안한 식 (5)가 존재한다(Idelchik, 1986; Mcpherson, 2012).
(4)
(5)
는 면적비(Area ratio)로 급확대부의 충격손실계수(
)의 경우
이고 급축소부의 충격손실계수(
)의 경우
이다. 본 연구에서는 전산유체역학(CFD)을 이용한 수치해석을 통해 선행 연구된 충격손실계수와 비교 분석을 실시하고 실제 복층터널 단면의 확폭구간에서 단면적비의 변화에 따른 충격손실계수를 제시함을 목적으로 한다.
연구 방법
네트워크형 도로 터널의 확폭구간에서의 충격손실계수를 결정하기 위한 연구를 진행하기 위해 전산유체역학(CFD) 해석 소프트웨어인 CD-adapco사의 Star-CCM+를 사용하여 수치해석을 실시하였고 이를 위해 필요한 터널 모델링 작업은 DASSAULT SYSTEMES사의 3d CAD 소프트웨어인 Solid-Works를 사용하였다. 본 연구에서 사용된 터널 모형은 Fig. 4와 같이 급확대부와 급축소부 각각마다 축대칭의 파이프 모델과 Fig 5.와 같은 복층터널 단면의 실스케일 모델 그리고 직사각형 단면 모델로 총 6가지 모델로 길이는 확폭되는 지점을 중심으로 상류 구간(Upstream)에서는 상부 터널의 수리반경(Hydraulic diameter,
)의 경우
)의 10배, 즉 10
를 적용하였고 하류 구간(Downstream)에서는 하부 터널의 수리반경의 50배(50
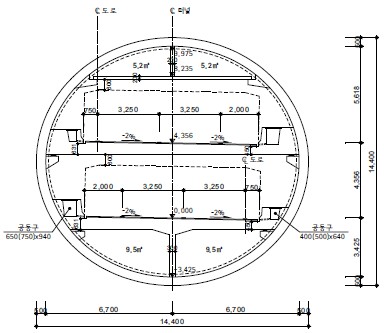
)를 적용하였는데 이는 ESDU(2008)에서 제시한 기준과 같고 본 연구에서 적용된 모델의 수리반경 범위는 4.53∼5.81 m이다. 터널 모델의 단면의 경우 Fig. 5와 같이 실제 복층 터널 2차선 예상 단면도를 기준으로 모델링을 진행하였다. 원형 단면의 파이프 모델의 경우 실스케일 모델과 수리반경(=5.2 m)이 같은 원형 단면으로 설계하였고 직사각형 단면 모델의 경우에는 차선당 차폭 3.25 m 그리고 우측 길어깨 2 m와 좌측 길어깨 0.75 m를 적용하였고 높이는 3 m로 모델링하였다.
본 연구에서 사용한 난류 모델로는 전산유체역학 해석에서 가장 많이 사용되는 모델인 표준 k-ε모델(Standard k-ε model)로 난류운동에너지(k)와 그것의 소산율(ε)에 관한 수송방정식을 Boussineq 이론을 바탕으로 계산하여 레이놀즈 응력을 수치해로 나타낸다(Kim et al, 2010).
수치해석 연구를 실시하기 위한 해석 모델의 물리 조건,경계 조건, 초기 조건 및 메쉬 형성 조건은 Table 1로 정리하였다.
본 수치해석 연구에서 적용한 메쉬는 다면체 격자(Polyhedral mesh)로 일반적으로 많이 사용하는 등가 사면체 격자보다 더 적은 격자를 사용해 수치해석에 소요되는 시간을 단축시킬 수 있고 어떠한 형태의 모델이든지 격자 생성에서의 상당한 유연성을 제공한다는 장점이 있다. 이전의 연구로 다면체 격자의 모델이 비슷한 셀의 개수를 가진 등가 사면체 격자를 이용한 해석 모델과의 데이터 비교를 통해 더 정확한 결과를 보이기도 하였다(Peric et al, 2012). 또한 메쉬 조건에서 High wall y+ treatment tool을 사용하였는데 본 연구에서 적용된 터널 모델에서는 벽면의 영향이 적을 것으로 예상됨에 따라 터널 벽면에 생성되는 격자를 투박하게 생성하여 해석 속도를 높여주었다.
파이프 모델의 경우 기존의 선행 연구로 도출된 결과값과의 비교를 통해 최적 메쉬를 선정하기 위하여 사용되었는데 기준 격자 크기를 변경해가며 메쉬를 생성하여 해석한 결과 0.7 m의 격자 크기 적용 시 가장 타당한 결과값이 도출되는 것으로 판단하여 기준 격자 크기를 0.7 m로 선정하였고 이렇게 선정된 최적 메쉬 조건으로 실스케일 모델과 직사각형 단면의 모델에 대한 해석을 실시하였다.
확폭구간에서의 충격손실을 측정하기 위해 Fig. 6과 같은 지점을 선정하여 측정하였고 이와 같은 정압 그래프는 터널 단면적의 평균값으로 적용하였다. 급확대부의 경우(a) 터널 내 풍량이 급확대부를 통해 단면적이 넓은 터널 단면으로 유입되어 풍속이 감소하게 되고 이로 인해 정압재취득현상이 발생한다(Ryu et al, 2016). 이 때,
은 확대가 되는 지점에서 측정하고
는 풍속이 감소에 의한 정압재취득 현상이 발생한 후 벽면마찰손실에 의해서 압력이 직선으로 떨어지는 현상을 보이는 지점에서 확대 지점까지 이은 점에서 측정한다. 급확대부와는 다르게 급축소부의 경우(b)에는 급축소부를 지나 단면적이 좁아지는 터널로 풍량이 유입될 때 정압이 감소되다 난류 구간을 지나게 되면 다시 유동장이 넓어지는 현상에 의한 정압재취득 현상이 일어나게 되므로 급축소부에서 정압을 측정하는 지점은 Fig. 6에 (b)와 같다.
위 식 (2)와 식 (3)을 통해 충격손실계수를 결정하기 위해 추가적으로 필요한 인자인 공기속도는 벽면에 의한 마찰손실로 인한 선형적인 정압 강하 부분이 끝나는 지점에서 단면적의 평균값으로 측정하였다.
Fig. 5와 같이 네트워크형 복층터널의 예상 단면도가 존재하지만 터널 시공 지역의 암반 구조적 문제와 환경 조건 등의 영향으로 실제 시공 시 터널의 단면이 변경될 것으로 예상되므로 본 연구에서는 실스케일 모델과 직사각형 단면 모델의 충격손실계수값의 오차를 분석하여 직사각형 단면을 가지는 모델을 이용한 수치해석의 적합성을 판단하였다. 이 때 사용된 모델은 실제 스케일의 터널의 상부를 기준으로 2차선에서 3차선으로 확대되는 경우와 3차선에서 2차선으로 축소되는 경우를 가정한 결과, 단면적비는 0.78으로 직사각형 모델도 같은 단면적비로 모델링하고 레이놀즈수(Reynolds number, Re)는 106으로 두 모델에 동일하게 적용하여 해석한 결과 Table 2와 같이 오차의 범위가 상당히 작은 것으로 해석되었다. 따라서 직사각형 모델로의 해석이 적용성이 크다고 판단하여 직사각형 단면의 모델을 사용하여 터널 구조에서의 단면적비 변화에 따른 충격손실계수의 영향에 대한 수치해석을 실시하였다.
네트워크형 도로터널의 경우 본선터널에서 분류 및 합류가 되는 지점에서 확폭구간의 존재로 인해 본선터널과 분기터널 사이에 필러부가 발생하게 된다. 이 필러부는 두 터널의 굴착에 따른 응력의 중가를 중첩하여 받게 되어 터널 안정성에 문제가 되므로 적절한 필러보강부를 설계하는 것이 필요하게 되는데 암반조건이 양호한 경우에는 1 m정도의 필러 폭만으로도 터널의 안정성 확보가 가능하나, 일반적으로 3∼10 m 정도의 필러 폭을 확보하는 것이 바람직하다(국토교통부, 2016). 이러한 필러 폭을 적용 시키는 경우 2차선에서 3차선으로 확폭되는 구간으로 가정하면 터널 내 단면적 비는 0.38부터 0.6사이에서만 존재하게 되는데 차선 설계에서의 적용성이나 암반조건을 고려하여 Fig. 7과 같이 확폭단면이 순차적으로 증가하는 설계 시에 적용할 수 있도록 하기 위해 단면적 비를 0부터 1사이에서 다양한 단면적비 조건으로 충격손실계수를 계산하였다.
연구 결과
네트워크형 도로터널에서 분류 및 합류되는 분기터널로 인해 급확대부와 급축소부에서 발생하는 충격손실에 대한 계수를 전산유체역학(CFD)를 통해 분석을 실시하였다. CFD의 해석 결과 값은 메쉬의 형성 방법 및 난류모델에 의해 그 결과의 차이가 상당 발생할 수 있다. 이러한 이유로 CFD를 통한 분석 값의 신뢰도를 확보하기 위하여 본 연구에서 제시하고자 하는 충격손실계수는 우선 파이프 모델을 사용하여 이전에 선행되었던 충격손실계수의 연구 결과와 비교를 통해 난류 모델 및 해석 조건의 타당성을 판단하였고 선정된 최적 메쉬를 적용하여 직사각형 단면의 모델에 적용하여 단면적비 변화에 따른 충격손실계수를 결정하였다. 적용된 기준 격자 크기로 인한 셀(Cell)의 개수는 최소 29548개부터 최대 284702개로 생성되었다.
급확대부(Diverging section)
본선터널에서 분기터널로 분류되는 구간에 의해 존재하는 급확대부로 인한 충격손실계수(
) 결정을 위해 Fig. 8(a)와 같이 파이프 모델을 사용한 해석 결과와 ESDU(2007)에서 제시한 결과를 같은 단면적비 0.3을 가지는 모델에 대해서 비교 분석하였다. 그 결과 오차범위 10% 이내로 해석 모델의 타당성을 확인하여 이와 동일한 해석 조건과 최적 메쉬를 직사각형 단면의 모델에 적용하여 Fig. 8(b)와 같이 단면적비의 변화에 따른 충격손실계수를 계산하였다. 이 때 설정한 레이놀즈 수는 106으로 맞추었는데 급확대부의 경우 레이놀즈수가 4000이상인 비압축성 유체의 난류유동의 경우 충격손실계수가 오직 단면적비의 변화에만 의존한다는 연구 결과가 있고(EDSU 72011, 2007) 또한 실제 터널 단면의 크기에서 터널 내 최소 공기 속도를 적용한 경우 레이놀즈수는 대략 105이상이므로 이에 따라 레이놀즈수를 106으로 설정하여 해석을 실시하였다.
Fig. 8(b)의 해석 결과를 보면 0에서부터 1까지의 단면적비의 범위에서 0에서 1.072까지 범위의 충격손실계수가 계산되어졌다. 이전에 선행되었던 연구 결과와 비교하였을 때 0.9에서 1까지의 범위에서는 Miller(1971)의 데이터와 유사하게 나왔지만 단면적비 0.9이하에서는 다른 선행 연구의 값들보다 최대 0.2정도 값의 차이를 보이며 전체적으로 높은 값으로 계산되어진 것을 확인할 수 있었다. 이는 Fig. 9에서도 확인되는 것처럼 난류 유동에 의한 에너지 손실의 강화로 더 높은 충격손실계수가 도출된 것으로 판단되고 식 (6)과 같이 2차 보간하여 추세선을 나타낸 결과 높은 상관성을 나타내어 해석 결과의 신뢰성을 입증하였다.
(6)
일반적으로 단면적비가 0일 때, 터널의 출구부와 같이 확폭되는 구간이 무한대로 커지는 경우로 가정할 수 있는데 이 경우에는 압력손실계수를 1로 산정한다(한국도로공사, 2012). 본 연구 결과에서는 단면적비가 0인 경우 충격손실계수는 1.072로 다른 선행 연구의 결과 값이 모두 1인 점을 감안하면 7.2%의 오차범위를 보이지만 해석 결과에 있어서 납득할 만한 수준의 오차로 판단된다.
Fig. 9는 단면적비가 0.6인 경우 파이프 모델과 직사각형 단면의 모델의 공기 흐름에 대한 그림이다. Fig. 9(b)와 같이 직사각형의 단면으로 한 쪽으로 치우쳐진 경우에는 Fig. 9(a)와 같은 파이프 모델에 비교하여 난류 유동이 많은 것을 확인할 수 있다.
해석 결과 단면적비가 0.5이하 즉, 급확대부의 상류 터널의 단면적보다 하류 터널의 단면적이 2배이상 커질 때 난류유동이 급격히 확산되는 것을 볼 수 있었다. 이 경우 급확대부로 인한 터널 내부의 에너지 손실이 증가하게 되므로 효율적인 터널 환기 설계를 위해 이 점을 고려하여 확폭구간 설계에 반영할 수 있을 것으로 판단되어진다.
급축소부(Merging section)
네트워크형 도로터널의 본선 터널로 합류되는 터널로 인한 급축소부의 존재로 발생하는 충격손실계수(
)도 급확대부와 마찬가지로 파이프 모델을 사용하여 이전 선행 연구되었던 충격손실계수값과의 비교 분석을 통해 해석 모델의 타당성을 판단하였고 그 결과는 Fig. 10(a)와 같다. 급축소부에서 해석 모델의 타당성을 판단하기 위한 수치해석 연구에 사용된 원형 파이프 모델의 사이즈는 Sanchez(2010)의 연구에서 적용된 단면적비를 사용하였고 이 연구에서 비교 분석한 다른 연구 결과와 함께 비교 분석하였다. 분석 결과로 본 연구와의 비교 분석에 중점인 ESDU(2008)의 결과 값과는 10%정도의 오차율을 보여 해석 결과의 타당성을 확보하였고 같은 해석 조건과 최적 메쉬를 직사각형 단면의 모델에 적용하여 CFD 해석 결과를 도출하였다.
단면적비에 따른 충격손실계수는 Fig. 10(b)와 같이 0부터 0.65까지의 범위로 계산되어졌는데 EDSU(2008)의 경우 0부터 0.47, Idelchik(1986)은 0부터 0.5 그리고 Miller(1971)의 데이터는 0부터 0.63으로 원형단면의 파이프모델로 진행된 선행 연구의 결과 값보다 전체적으로 높은 충격손실계수 값이 계산되어졌다. 단면적비 0.9에서 1의 범위에서는 Idelchik(1986)의 데이터와 매우 유사하였지만 0.9이하의 단면적비 범위에서는 최대 0.2정도 값의 차이를 보였고 ESDU(2008)의 값과는 0.8이하의 단면적비에서 0.15∼0.23정도의 값의 차이를 보였다. Miller(1971)의 데이터와는 0.8에서 1의 단면적비 범위에서 값의 차이가 커졌지만 단면적비 0.8부터는 값의 차이가 줄어들어드는 것을 확인할 수 있었다. 단면적비가 0인 즉, 터널 입구에서 발생하는 압력손실과 같은 구조에서 ESDU(2008)과 Idelchik(1986)은 각각 0.47과 0.5의 충격손실계수를 도출해내었지만 Miller(1971)의 경우 본 연구의 해석결과와 유사한 0.63의 충격손실계수 값을 나타내었고 추가적인 문헌 연구를 통해 입구 압력손실계수를 0.6으로 적용한 바를 확인하여(Lee et al, 1996) 해석 결과의 신뢰성을 가진다고 판단되고 식 (7)과 같은 해석 결과 값의 추세선 또한 높은 상관성을 보였다.
(7)
Fig. 11에서 보면 직사각형 단면의 모델에서 급확대부의 경우에 비해 난류 유동이 확연히 확인되진 않지만 파이프 모델에 비해 난류 유동 길이가 길게 형성되어 있어 많은 에너지 손실이 야기됨에 따라 높은 충격손실계수가 도출된 것으로 판단된다.
결론
본 연구에서는 종횡비가 큰 직사각형의 복층 터널 단면에서 합류부나 분류부와 같은 분기부 지점을 포함하는 네트워크형 구조의 확폭구간에서 단면적비 변화에 따른 충격손실계수를 결정하기 위해 전산유체역학(CFD)을 통한 수치해석 연구를 수행하였다. 이전의 원형 파이프모델로의 선행 연구들의 충격손실계수 값과 비교 분석을 통해 네트워크형 복층 도로터널의 확폭구간의 특징인 직사각형 단면과 한 쪽으로 치우쳐진 급확대부와 급축소부에서의 공기 유동의 특성에 대해 고찰하였고 본 연구 결과를 다음과 같이 정리하였다.
1.본 연구에서 사용되는 해석 모델과 격자 조건의 타당성을 확보하기 위해 기존의 선행 연구에서 사용된 축대칭의 파이프 모델로 모델링하여 수치해석을 실시하고 얻어진 결과 값과 선행 연구의 결과 값과의 비교 분석을 실시하였다. 분석 결과, 급확대부와 급축소부 모두 오차 범위 10% 이내로 확인되어 본 연구에서 사용되는 해석 모델과 격자 조건의 타당성을 확보하였고 이와 같은 해석 모델과 최적 메쉬를 직사각형 모델에 적용하여 0에서부터 1까지 범위에서의 단면적비 변화에 따른 충격손실계수를 도출하기 위한 수치해석을 실시하였다.
2.급확대부 모델의 분석 결과, 0에서부터 1.072 범위의 충격손실계수 값이 계산되었고 상관계수 값은 0.9931이 얻어졌다. 충격손실계수 값은 선행 연구의 결과 값보다 전체적으로 높은 값을 나타내었는데 최대 0.2정도의 차이를 보이는 것을 확인하였다. 전체적인 경향으로는 단면적비가 0에서부터 0.5까지 기존 선행연구의 충격손실계수 값과의 차이가 커지다가 다시 단면적비가 1이 되는 구간에서는 차이가 줄어들면서 0.9에서부터 1까지의 경우에는 Miller(1971)의 데이터와 상당히 일치하는 것을 확인하였다. 본 연구의 결과 값이 전체적으로 높은 값을 띠는 데는 종횡비가 큰 복층 터널의 직사각형 단면과 한 쪽으로 치우쳐진 확폭구간의 구조로 인하여 축대칭의 원형 파이프 모델보다 난류 유동하는 구간이 더 넓게 분포되어있어 높은 에너지 손실로 인한 결과로 판단된다. 또한 단면적비가 0.5이하인 경우 즉, 확폭되는 구간의 단면적이 2배 이상이 되는 경우 난류 유동이 급격히 확산되는 경향을 확인하였다.
3.급축소부의 경우 결과로는 단면적비의 변화에 따라 0에서부터 0.65까지의 충격손실계수 값을 계산되었고 0.9973의 상관계수 값이 도출되었다. 이 경우도 급확대부와 마찬가지로 선행 연구의 결과 값보다 전체적으로 높은 값이 도출되었는데 기존 선행연구보다 최대 0.2정도의 차이를 보이는 것을 확인하였다. 급확대부의 경우보다 난류유동하는 구간이 적지만 파이프모델의 급축소부의 경우와 비교하면 난류 유동하는 구간이 넓게 분포되어있는 것을 확인할 수 있다.
본 연구의 결과를 통해 네트워크형 복층 도로터널의 기하학적 구조의 영향이 급확대부와 급축소부에서 발생하는 충격손실계수의 값에 미치는 영향이 상당히 큰 것으로 판단된다. 이러한 충격손실계수 값은 현행 도로터널의 환기설계 지침에서 제시되고 있지 않기 때문에 본 연구에서 제시하고자 하는 충격손실계수 값은 실제 네트워크형 복층 도로터널 환기설계 시 보다 정확한 설계를 하는데 기여할 것으로 기대된다.
















